
【產品用途】
H44W、H44Y 型 PN16~PN250 不銹鋼止回閥適用于壓力 1.6~25MPa 工作溫度-29~+550℃ 的石油、化工、制藥、化肥、電力行業等各種工況的管路上,適用介質為水、油品、蒸汽、酸性介質等。
【產品特點】
H44W、H44Y 不銹鋼止回閥是靠管路中介質本身的流動產生的力而自動開啟和關閉的,屬于一種自動閥門。止回閥用于管路系統,其主要作用是防止介質倒流、防止泵及其驅動電機機反轉,以及容器內介質的泄放。止回閥還可用于給其中的壓力可能升至超過主系統壓力的輔助系統提供補給的管路上。
【性能參數】
|
型號 |
H44W-16P~250 |
|
|
工作壓力(MPa) |
1.6~25 |
|
|
適用溫度(℃) |
≤550 |
|
|
適用介質 |
弱腐蝕性介質 |
|
|
材料 |
閥體、閥蓋、閥瓣 |
鉻鎳鈦不銹鋼 |
|
密封面 |
本體密封 |
|
【主要零件材料】
|
零件名稱 |
材料名稱 |
|||
|
閥體 |
A351 CF8 |
A351 CF8M |
A351 CF3 |
A351 CF3M |
|
閥蓋 |
A351 CF8 |
A351 CF8M |
A351 CF3 |
A351 CF3M |
|
閥板 |
A351 CF8 |
A351 CF8M |
A351 CF3 |
A351 CF3M |
|
密封面 |
本體/STL |
本體/STL |
本體/STL |
本體/STL |
|
閥軸 |
A182 F304 |
A182 F316 |
A182 F304L |
A182 F316L |
|
墊片 |
柔性石墨 |
柔性石墨 |
柔性石墨 |
柔性石墨 |
|
螺栓 |
A193 B8 |
A193 B8M |
A193 B8 |
A193 B8M |
|
螺母 |
A194 8 |
A194 8M |
A194 8 |
A194 8M |
|
使用溫度 |
-46~425℃ |
-46~425℃ |
-46~425℃ |
-46~425℃ |
|
適用介質 |
弱腐蝕性 |
弱腐蝕性 |
弱腐蝕性 |
弱腐蝕性 |
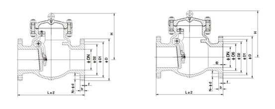
【主要外形和連接尺寸】
|
公稱通徑 DN |
主要外形尺寸和連接尺寸 |
||||||
|
L |
D |
D1 |
D2 |
b |
Z-d |
H |
|
|
H44W-16P H44W-16R |
|||||||
|
25 |
160 |
115 |
85 |
65 |
16 |
4-14 |
100 |
|
32 |
180 |
135 |
100 |
78 |
16 |
4-18 |
105 |
|
40 |
200 |
145 |
100 |
85 |
16 |
4-18 |
115 |
|
50 |
230 |
160 |
125 |
100 |
16 |
4-18 |
135 |
|
65 |
290 |
180 |
145 |
120 |
18 |
4-18 |
142 |
|
80 |
310 |
195 |
160 |
135 |
20 |
8-18 |
165 |
|
100 |
350 |
215 |
180 |
155 |
20 |
8-18 |
180 |
|
125 |
400 |
245 |
210 |
185 |
22 |
8-18 |
210 |
|
150 |
480 |
280 |
240 |
210 |
24 |
8-23 |
233 |
|
200 |
500 |
335 |
295 |
265 |
26 |
12-23 |
304 |
|
250 |
550 |
405 |
355 |
320 |
30 |
12-25 |
348 |
|
300 |
650 |
460 |
410 |
375 |
30 |
12-25 |
390 |
|
350 |
750 |
520 |
470 |
435 |
34 |
16-25 |
430 |
|
400 |
850 |
580 |
525 |
485 |
36 |
16-30 |
468 |
|
H44W-25P H44W-25R |
|||||||
|
25 |
160 |
115 |
85 |
65 |
16 |
4-14 |
100 |
|
32 |
180 |
135 |
100 |
78 |
16 |
4-18 |
105 |
|
40 |
200 |
145 |
110 |
85 |
16 |
4-18 |
115 |
|
50 |
230 |
160 |
125 |
100 |
20 |
4-18 |
160 |
|
65 |
290 |
180 |
145 |
120 |
22 |
8-18 |
175 |
|
80 |
310 |
195 |
160 |
135 |
22 |
8-18 |
185 |
|
100 |
350 |
230 |
190 |
160 |
24 |
8-23 |
220 |
|
125 |
400 |
270 |
220 |
188 |
28 |
8-25 |
248 |
|
150 |
480 |
300 |
250 |
218 |
30 |
8-25 |
276 |
|
200 |
550 |
360 |
310 |
278 |
34 |
12-25 |
350 |
|
250 |
650 |
425 |
370 |
332 |
36 |
12-30 |
410 |
|
300 |
750 |
485 |
430 |
390 |
40 |
16-30 |
430 |
|
350 |
850 |
550 |
490 |
448 |
44 |
16-34 |
518 |
|
400 |
950 |
610 |
550 |
505 |
48 |
16-34 |
560 |
【結構圖片】
如果您對報價或合作有任何疑問,請隨時通過以下電子郵件與我們聯系 lg@cnlgvalve.com 或使用以下查詢表格。 我們的銷售代表將在24小時內與您聯系。 感謝你對我們產品感興趣。